FluidSIM

Menü
  • Startseite
  • Über uns
    • de-flag Deutsch
      • de-flag English
  • FluidSIM
  • FluidDraw
  • Downloads
  • Support
  • Startseite
  • Über uns
    • de-flag Deutsch
      • de-flag English
  • Jetzt bestellen
  • Elektrotechnik jetzt mit Kfz-Technik
  • Komponentenbibliothek
  • Komponentenbibliothek
    • Übersicht
    • Jetzt bestellen
    • Elektrotechnik jetzt mit Kfz-Technik
  • Pneumatik
    • Versorgungselemente
      • Druckluftquelle
      • Verdichter
      • Verdichter, einstellbar
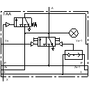
      • Wartungseinheit, vereinfachte Darstellung
      • Wartungseinheit
      • Einschaltventil mit Filterregelventil
      • Verteilerblock
      • Druckspeicher
      • Druckspeicher
      • Druckluftfilter
      • Druckluftfilter, manueller Kondensatablass
      • Filter mit Wasserabscheider, automatisch
      • Wasserabscheider, handbetätigt
      • Wasserabscheider mit automatischer Entleerung
      • Öler
      • Kühler
      • Adsorptionstrockner
      • Anschluss (pneumatisch)
      • Leitung (pneumatisch)
      • T-Verteiler (pneumatisch)
    • Wegeventile, Konfigurierbar
      • 2/n-Wegeventil
      • 3/n-Wegeventil
      • 4/n-Wegeventil
      • 5/n-Wegeventil
      • 6/n-Wegeventil
      • 8/n-Wegeventil
    • Wegeventile, Mechanisch betätigt
      • 3/2-Wege-Rollenhebelventil, in Ruhestellung gesperrt
      • 3/2-Wege-Rollenhebelventil, in Ruhestellung geöffnet
      • 3/2-Wege-Kipprollenventil, in Ruhestellung gesperrt
      • Staudruckventil
      • Pneumatischer Näherungsschalter, magnetisch betätigt
      • 3/2-Wegeventil mit Drucktaster, in Ruhestellung gesperrt
      • 3/2-Wegeventil mit Drucktaster, in Ruhestellung geöffnet
      • 3/2-Wegeventil mit Wahlschalter bzw. Schlagtaster, in Ruhestellung gesperrt
      • 5/2-Wegeventil mit Wahlschalter
    • Wegeventile, Elektromagnetisch betätigt
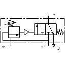
      • 3/2-Wege-Magnetventil, in Ruhestellung gesperrt
      • 3/2-Wege-Magnetventil, in Ruhestellung geöffnet
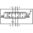
      • 5/2-Wege-Magnetventil
      • 5/2-Wege-Magnet-Impulsventil
      • 5/3-Wege-Magnetventil, in Mittelstellung gesperrt
      • Festo Magnetventil für Ventilinsel VTSA
    • Wegeventile, Pneumatisch betätigt
      • 3/2-Wege-Pneumatikventil, in Ruhestellung gesperrt
      • 3/2-Wege-Pneumatikventil, in Ruhestellung geöffnet
      • 5/2-Wege-Pneumatikventil
      • 5/2-Wege-Pneumatik-Impulsventil
      • 5/3-Wege-Pneumatikventil, in Mittelstellung gesperrt
      • Niederdruck-Verstärker-Baustein, 2-fach
    • Stromventile/Sperrventile
      • Wechselventil
      • Schnellentlüftungsventil
      • Zweidruckventil
      • Rückschlagventil
      • Rückschlagventil mit Feder
      • Rückschlagventil, entsperrbar
      • Rückschlagventil mit Feder, entsperrbar
      • Rückschlagventil, sperrbar
      • Rückschlagventil mit Feder, sperrbar
      • Düse
      • Drosselventil
      • Blende
      • Blende, einstellbar
      • Drosselrückschlagventil
      • Drosselrückschlagventil, 2-fach
      • Pneumatischer Vorwahlzähler
      • Pneumatischer Timer, in Ruhestellung gesperrt
      • Pneumatischer Timer, in Ruhestellung geöffnet
      • Ringstrahlsensor (Reflexauge)
    • Druckventile
      • Druckregelventil
      • Druckregelventil, einstellbar
      • Druckregelventil mit Manometer
      • Druckregelventil
      • Druckregelventil, einstellbar
      • Druckwaage (Schließer)
      • Druckwaage (Schließer), einstellbar
      • Druckwaage (Öffner)
      • Druckwaage (Öffner), einstellbar
    • Druckbetätigte Schalter
      • Druckschalter
      • Vakuumschalter
      • Pneumatisch-elektrischer Wandler
    • Vakuumtechnik
      • Vakuumsaugdüse 05 H
      • Vakuumsaugdüse 05 L
      • Einstufiger Ejektor mit Abstoßeinrichtung (Vakuumsaugkopf)
      • Vakuumsaugnapf
      • Vakuumsaugventil
      • Vakuumschaltventil
    • Ventilgruppen
      • Druckschaltventil
      • Verzögerungsventil, in Ruhestellung gesperrt
      • Verzögerungsventil, in Ruhestellung geöffnet
      • Taktstufen-Baustein Typ TAA
      • Taktstufen-Baustein Typ TAB
      • Quickstepper
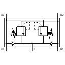
      • Zweihandsteuerblock
      • Steuerblock mit Sicherheitsfunktion VOFA
      • Steuerblock mit Sicherheitsfunktion VOFA
    • Stetigventile
      • 5/3-Wege Proportionalventil
      • Proportional-Druckregelventil
    • Aktuatoren
      • Konfigurierbarer Zylinder
      • Zylinder, einfachwirkend
      • Zylinder, einfachwirkend, Rückstellfeder im Kolbenraum
      • Zylinder, doppeltwirkend
      • Zylinder, doppeltwirkend, mit durchgehender Kolbenstange
      • Zylinder, doppeltwirkend, mit zwei Kolbenstangen und einem Joch
      • Zylinder, doppeltwirkend, mit zwei durchgehenden Kolbenstangen und doppeltem Joch
      • Mehrstellungszylinder, doppeltwirkend
      • Linearantrieb, pneumatisch, mit Magnetkupplung
      • Linearantrieb, pneumatisch, mit formschlüssiger Verbindung
      • Linearantrieb, pneumatisch, mit formschlüssiger Verbindung
      • Motor, pneumatisch
      • Druckluftmotor mit Mittelauspuff
      • Schwenkzylinder
      • Schwenkzylinder
      • Pneumatischer Muskel
      • Pneumatischer Muskel mit einem doppeltwirkenden Zylinder
      • Pneumatischer Muskel mit zwei doppeltwirkenden Zylindern
    • Messinstrumente und Sensoren
      • Druckmessgerät
      • Differenzdruckmessgerät
      • Druckanzeige
      • Analog-Drucksensor
      • Analog-Drucksensor
      • Durchflussmesser
      • Durchflussmesser
      • Analog-Durchflussmesser
      • Drucksensor mit Schaltausgang und Anzeige
      • Drucksensor mit Anzeige
      • Durchflusssensor
  • Hydraulik
    • Versorgungselemente
      • Antriebsaggregat
      • Antriebsaggregat, vereinfachte Darstellung
      • Konstantpumpe
      • Verstellpumpe
      • Reversierbare Pumpe/Motor-Einheit mit zwei Volumenstromrichtungen und veränderlichem Verdrängungsvolumen, externe Leckölleitung und zwei Drehrichtungen
      • Proportional-Verstellpumpe
      • Verstellbare Flügelzellenpumpe, vorgesteuert
      • Kolbenpumpe, pneumatisch betätigt
      • Hydraulikaggregat mit LS-Verstell- und Konstantpumpenkombination
      • Hydraulikaggregat mit LS-Verstell- und Konstantpumpenkombination
      • Lenkventil (Orbitrol)
      • Lenkventil (Orbitrol)
      • Tank
      • Schlauchleitung mit Schnellverschlusskupplung
      • Speicher
      • Speicher
      • Membranspeicher mit Sicherheitsblock
      • Filter
      • Kühler
      • Heizung
      • Druckübersetzer
      • T-Verteiler
      • Verteilerplatte, 4-fach
      • Verteilerplatte, 4-fach, mit Druckmessgerät
      • Anschluss (hydraulisch)
      • Leitung (hydraulisch)
      • T-Verteiler (hydraulisch)
    • Wegeventile, Konfigurierbar
      • 2/n-Wegeventil
      • 3/n-Wegeventil
      • 4/n-Wegeventil
      • 5/n-Wegeventil
      • 6/n-Wegeventil
      • 8/n-Wegeventil
    • Wegeventile, Mechanisch betätigt
      • 2/2-Wege-Stößelventil
      • 2/2-Wege-Stößelventil
      • 3/2-Wege-Handhebelventil
      • 4/2-Wege-Handhebelventil (i)
      • 4/2-Wege-Handhebelventil (ii)
      • 4/3-Wege-Handhebelventil mit Sperrstellung (i)
      • 4/3-Wege-Handhebelventil mit Sperrstellung (ii)
      • 4/3-Wege-Handhebelventil mit Stuhlstellung (i)
      • 4/3-Wege-Handhebelventil mit Stuhlstellung (ii)
      • 4/3-Wege-Handhebelventil mit Umlaufstellung (i)
      • 4/3-Wege-Handhebelventil mit Umlaufstellung (ii)
    • Wegeventile, Elektromagnetisch betätigt
      • 4/2-Wege-Magnetventil (i)
      • 4/2-Wege-Magnetventil (ii)
      • 4/3-Wege-Magnetventil mit Sperrstellung (i)
      • 4/3-Wege-Magnetventil mit Sperrstellung (ii)
      • 4/3-Wege-Magnetventil mit Stuhlstellung (i)
      • 4/3-Wege-Magnetventil mit Stuhlstellung (ii)
      • 4/3-Wege-Magnetventil mit Umlaufstellung (i)
      • 4/3-Wege-Magnetventil mit Umlaufstellung (ii)
    • Stromventile/Sperrventile
      • Absperrventil
      • Rückschlagventil
      • Rückschlagventil
      • Rückschlagventil, entsperrbar
      • Rückschlagventil, entsperrbar
      • Rückschlagventil, entsperrbar, externe Steuerölrückführung
      • Doppeltes Rückschlagventil, entsperrbar
      • Doppeltes Rückschlagventil, entsperrbar
      • Rückschlagventil, sperrbar
      • Rückschlagventil mit Feder, sperrbar
      • Wechselventil
      • Zweidruckventil
    • Druckventile
      • Druckbegrenzungsventil
      • Druckbegrenzungsventil
      • Druckbegrenzungsventil, ausgeglichen
      • Bidirektionales Druckbegrenzungsventil
      • Senkbremsventil
      • Senkbremsventil
      • Druckzuschaltventil
      • Druckzuschaltventil
      • Prioritätsventil LS, dynamisch
      • Druckbegrenzungsventil, vorgesteuert
      • Druckbegrenzungsventil, vorgesteuert
      • Druckbegrenzungsventil, vorgesteuert
      • Druckminderventil
      • Druckminderventil, einstellbar
      • 3-Wege-Druckreduzierventil
      • 3-Wege-Druckreduzierventil, vorgesteuert
      • Druckwaage, vorgeschaltet
      • Druckwaage, vorgeschaltet
      • Druckwaage, nachgeschaltet
      • Druckwaage, nachgeschaltet
      • Druckwaage für Open Center Load Sensing
      • Druckwaage für Open Center Load Sensing
      • Vorsteuergerät, 2x2-kanalig
      • Schock- und Nachsaugblock
      • Druckwaage (Schließer)
      • Druckwaage (Schließer), einstellbar
      • Druckwaage (Öffner)
      • Druckwaage (Öffner), einstellbar
      • Einbauventil (Öffner)
      • Einbauventil (Schließer)
    • Druckschalter
      • Druckschalter
    • Stromventile/Sperrventile
      • Düse
      • Drosselventil
      • Blende
      • Blende, einstellbar
      • Drosselrückschlagventil
      • 2-Wege-Stromregelventil
      • 2-Wege-Stromregelventil
      • 3-Wege-Stromregelventil
      • Stromteilerventil
      • Stromteiler/Vereiniger
      • Synchronisierender Stromteiler/Vereiniger
      • Spülventil mit Druckbegrenzungsventil
    • Stetigventile
      • 4/3-Wege Regelventil
      • 4/3-Wege-Proportionalventil
      • 4/3-Wege-Proportionalventil
      • Proportional-Drosselventil
      • Proportional-Druckbegrenzungsventil
      • Proportional-Druckbegrenzungsventil, vorgesteuert
      • 3-Wege-Proportional-Druckreduzierventil
      • Proportional-Druckregelventil, vorgesteuert
      • 6/3-Wege-Proportional Handhebelventil
      • Load-Sensing Steuerblock
    • Aktuatoren
      • Konfigurierbarer Zylinder
      • Zylinder, doppeltwirkend
      • Zylinder, doppeltwirkend mit Endlagendämpfung
      • Zylinder, doppeltwirkend mit durchgehender Kolbenstange und Endlagendämpfung
      • Zylinder, einfachwirkend
      • Belastungseinheit/Zylinderlastsimulator
      • Belastungseinheit/Zylinderlastsimulator
      • Hydromotor
      • Schwenkzylinder
    • Messinstrumente und Sensoren
      • Druckmessgerät
      • Differenzdruckmessgerät
      • Druckanzeige
      • Analog-Drucksensor
      • Druckschalter, elektronisch
      • Durchflussmesser
      • Durchflussmesser
      • Analog-Durchflussmesser
  • Elektrotechnik/Elektronik
    • Spannungsversorgung
      • Konstante Spannungsquelle
      • Potenzial
      • Potenzial/Klemme
      • Masse
      • Drehstromgenerator
      • Anschlussfeld
      • Gleichspannungsnetzteil
      • Phase
      • Phase
      • Phase
      • Neutralleiter
      • Schutzleiter
      • Stecker und Buchse
      • Gleichspannungsnetzteil
      • Transformator DC/DC
      • Generator (Pulsweiten-Modulation)
    • Passive Bauteile
      • Widerstand
      • Widerstand, temperaturabhängig (NTC)
      • Widerstand, temperaturabhängig (PTC)
      • Widerstand, spannungsabhängig (VDR)
      • Widerstand, lichtabhängig (LDR)
      • Lichtabhängiger Widerstand (LDR) mit Lampe
      • Sicherung
      • Potentiometer
      • Zweifachpotentiometer
      • Kondensator
      • Kondensator, gepolt
      • Spule
      • Transformator
    • Halbleiter
      • 1N4007, Diode
      • Leuchtdiode (LED), rot
      • Leuchtdiode (LED), grün
      • Leuchtdiode (LED), blau
      • Leuchtdiode (LED), rot oder grün
      • Z-Diode
      • BC140, NPN-Transistor
      • BC160, PNP-Transistor
      • 2N3819, N-Kanal-JFET-Transistor
      • 2N3820, P-Kanal-JFET-Transistor
      • BUZ10, N-Kanal-MOSFET-Transistor
      • BS250, P-Kanal-MOSFET-Transistor
      • Unijunction-Transistor
      • Thyristor
      • Diac
      • Triac
      • Fotodiode
      • Fotodiode mit Lampe
      • Operationsverstärker
      • Operationsverstärker mit Versorgungsanschlüssen
    • Messinstrumente und Sensoren
      • Ohmmeter
      • Oszilloskop
      • Leistungsfaktor-Messgerät
      • Leistungsmesser
      • Leistungsmesser (3 Phasen)
      • Drucksensor
      • Heißfilm-Luftmassenmesser
      • Klopfsensor
      • Induktivgeber
      • Hallgeber
    • Schalter und Kontakte
      • Lasttrennschalter, 4-polig
      • Nocken-Drehschalter, 5-polig
      • Leitungsschutzschalter
      • Leitungsschutzschalter 3-polig
      • Motorschutzschalter
      • Motorschutzrelais
      • Sicherheitsrelais PNOZ
      • RCD (Fehlerstrom-Schutzschalter)
    • Schalter und Kontakte, Kfz-Technik
      • Konfigurierbarer Schalter
      • Zündstartschalter
      • Lichtschalter
      • Nebellichtschalter
      • Warnlichtschalter
      • Wischerschalter
      • Thermoschalter
      • Thermoschalter, 2-stufig
      • Druckschalter, Kfz-spezifisch
      • Steuergerät (Pulsweiten-Modulation)
    • Maschinen
      • Kondensatormotor
      • Kondensatormotor
      • Drehstrom-Asynchronmotor mit Käfigläufer
      • Drehstrom-Asynchronmotor mit Käfigläufer
      • Drehstrom-Asynchronmotor mit Käfigläufer
      • Drehstrom-Asynchronmotor mit Käfigläufer
      • Synchronmotor
      • Synchronmotor
      • Universalmotor
      • Universalmotor
      • Permanenterregter Gleichstrommotor
      • Fremderregter Gleichstrommotor
      • Gleichstrom-Reihenschlussmotor
      • Gleichstrom-Nebenschlussmotor
      • Motorenprüfstand
      • Motorenprüfstand (elektrischer Teil)
      • Generator
      • Startermotor mit Einrückrelais
      • Wischermotor, einstufig
      • Wischermotor, zweistufig
    • Regler
      • Summierer
      • D-Glied
      • P-Glied
      • Hysterese-Glied
      • I-Glied
      • PT1-Glied
      • PT2-Glied
      • Differenzverstärker
      • Begrenzer
    • Regler (Blockdarstellung)
      • Summierer
      • D-Glied
      • P-Glied
      • Hysterese-Glied
      • I-Glied
      • PT1-Glied
      • PT2-Glied
      • Differenzverstärker
      • Begrenzer
  • Digitalkomponenten mit elektrischen Signalen
    • Grundsymbole
      • AND
      • OR
      • Inverter (NOT)
      • Schmitt-Trigger
      • NAND
      • NOR
      • XOR
    • Flipflops
      • RS-Flipflop
      • RS-Flipflop mit invertierten Eingängen
      • Taktzustandsgesteuertes RS-Flipflop
      • JK-Flipflop, flankengetriggert
      • JK-Flipflop, flankengetriggert, K invertiert
      • JK-Flipflop mit SET und RESET Eingängen, flankengetriggert
      • JK-MS-Flipflop
      • D-Flipflop
      • D-Flipflop, flankengetriggert
      • D-Flipflop mit CLR Eingang
      • D-Flipflop mit SET und CLR Eingängen
      • T-Flipflop
      • T-Flipflop mit RESET Eingang
      • T-Flipflop mit invertiertem RESET Eingang
      • T-Flipflop mit invertiertem SET Eingang
      • Positiv flankengetriggertes Monoflop
      • Negativ flankengetriggertes Monoflop
      • D-Flipflop mit SET und RESET Eingängen, flankengetriggert
    • Verschiedenes
      • Prellender Wechsler
      • Hex-Schalter
      • 7-Segment Anzeige
      • Halbaddierer
      • Volladdierer
      • Volladdierer, 4 Bit
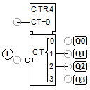
      • Zähler, 4 Bit
      • Schieberegister 8 Bit, parallel-seriell
      • Schieberegister 8 Bit, seriell-parallel
  • Elektrische Steuerungen (IEC)
    • Spannungsversorgung
      • Spannungsquelle (0V)
      • Spannungsquelle (24V)
      • Funktionsgenerator
      • Funktionsgenerator
      • Sollwertkarte
      • Anschluss (elektrisch)
      • Leitung (elektrisch)
      • T-Verteiler (elektrisch)
      • Steckdose mit Schutzkontakt
    • Aktuatoren
      • Gleichstrommotor
      • Hubmagnet
      • Injektor
      • Proportionalversteller
    • Messinstrumente und Sensoren
      • Voltmeter
      • Amperemeter
      • Leuchtmelder
      • Lampe
      • Lampe
      • Zweifadenlampe
      • Hörmelder
      • Wegmesssystem
      • Pneumatischer Analog-Drucksensor (elektrischer Teil)
      • Hydraulischer Analog-Drucksensor (elektrischer Teil)
      • Druckschalter, elektronisch (elektrischer Teil)
      • Pneumatischer Analog-Durchflussmesser (elektrischer Teil)
      • Hydraulischer Analog-Durchflussmesser (elektrischer Teil)
      • Drucksensor mit Schaltausgang und Anzeige (elektrischer Teil)
      • Drucksensor mit Anzeige (elektrischer Teil)
      • Durchflusssensor (elektrischer Teil)
      • Positionstransmitter
      • Signalwandler
      • Stoppuhr
    • Kontakte/Allgemeine Schalter
      • Öffner
      • Schließer
      • Wechsler
      • Schließer-Kontakt, 3-fach
    • Verzögerungsschalter
      • Öffner (anzugverzögert)
      • Schließer (anzugverzögert)
      • Wechsler (anzugverzögert)
      • Öffner (abfallverzögert)
      • Schließer (abfallverzögert)
      • Wechsler (abfallverzögert)
    • Endlagenschalter
      • Grenztaster (Öffner)
      • Endschalter-Rolle (Öffner)
      • Reedkontakt (Öffner)
      • Grenztaster (Schließer)
      • Endschalter-Rolle (Schließer)
      • Reedkontakt (Schließer)
      • Grenztaster (Wechsler)
      • Endschalter-Rolle (Wechsler)
      • Reedkontakt (Wechsler)
    • Schalter und Kontakte, Manuell betätigt
      • Taster (Öffner)
      • Taster (Schließer)
      • Taster (Wechsler)
      • Schalter (Öffner)
      • Schalter (Schließer)
      • Schalter (Wechsler)
      • Sicherheitsschlagtaster (Schließer)
      • Sicherheitsschlagtaster (Öffner)
      • Kreuzschalter
      • Serienschalter
    • Druckbetätigte Schalter
      • Pneumatisch-elektrischer Wandler (elektrischer Teil)
      • Druckschalter (Öffner)
      • Druckschalter (Schließer)
      • Druckschalter (Wechsler)
      • Pneumatischer Druckschalter (elektrischer Teil)
      • Hydraulischer Druckschalter (elektrischer Teil)
    • Näherungsschalter
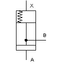
      • Näherungsschalter, magnetisch
      • Näherungsschalter, induktiv
      • Näherungsschalter, kapazitiv
      • Näherungsschalter, optisch
    • Relais
      • Relais
      • Relais
      • Relais (anzugverzögert)
      • Relais (abfallverzögert)
      • Elektrischer Vorwahlzähler
      • Anlaufstrombegrenzer
      • Relais mit Schließer-Kontakt
      • Relais mit Öffner-Kontakt
      • Relais mit Wechsler-Kontakt
      • Relaisspule (Wechselstrom)
      • Relaisspule (anzugverzögert, Wechselstrom)
      • Relaisspule (abfallverzögert, Wechselstrom)
      • Warnblinkrelais
      • Wischerintervallrelais
      • Relais (abfallverzögert) (Wechselstrom)
      • Stromstoßschalter (Wechselstrom)
    • Regler
      • Komparator
      • PID-Regler
      • Zustandsregler
    • EasyPort/OPC/DDE
      • FluidSIM-Out
      • FluidSIM-In
      • FluidSIM-Out (Analog)
      • FluidSIM-In (Analog)
      • Multipolverteiler
      • Universal-I/O
  • Elektrische Steuerungen (ANSI/NEMA)
    • Spannungsversorgung
      • Spannungsquelle (0V)
      • Spannungsquelle (24V)
    • Messinstrumente und Sensoren
      • Leuchtmelder
    • Kontakte/Allgemeine Schalter
      • Öffner
      • Schließer
      • Wechsler
    • Verzögerungsschalter
      • Öffner (anzugverzögert)
      • Schließer (anzugverzögert)
      • Wechsler (anzugverzögert)
      • Öffner (abfallverzögert)
      • Schließer (abfallverzögert)
      • Wechsler (abfallverzögert)
    • Endlagenschalter
      • Grenztaster (Öffner)
      • Endschalter-Rolle (Öffner)
      • Reedkontakt (Öffner)
      • Grenztaster (Schließer)
      • Endschalter-Rolle (Schließer)
      • Reedkontakt (Schließer)
      • Grenztaster (Wechsler)
      • Endschalter-Rolle (Wechsler)
      • Reedkontakt (Wechsler)
    • Schalter und Kontakte, Manuell betätigt
      • Taster (Öffner)
      • Taster (Schließer)
      • Taster (Wechsler)
      • Taster (Wechsler)
      • Schalter (Öffner)
      • Taster (Schließer)
      • Schalter (Wechsler)
      • Sicherheitsschlagtaster (Schließer)
      • Sicherheitsschlagtaster (Öffner)
    • Druckschalter
      • Druckschalter (Öffner)
      • Druckschalter (Schließer)
      • Druckschalter (Wechsler)
    • Näherungsschalter
      • Näherungsschalter, magnetisch
      • Näherungsschalter, induktiv
      • Näherungsschalter, kapazitiv
      • Näherungsschalter, optisch
    • Relais
      • Relais
      • Relais (anzugverzögert)
      • Relais (abfallverzögert)
      • Elektrischer Vorwahlzähler
  • Digitaltechnik
    • Konstanten und Klemmen
      • Eingang
      • Ausgang
      • Merker
      • Hi-Pegel
      • Lo-Pegel
      • Anschluss (digital)
      • Leitung (digital)
      • T-Verteiler (digital)
    • Grundfunktionen
      • AND
      • AND mit Flankenauswertung
      • NAND
      • NAND mit Flankenauswertung
      • OR
      • NOR
      • XOR
      • NOT
    • Sonderfunktionen
      • Digital-Modul
      • Einschaltverzögerung
      • Ausschaltverzögerung
      • Ein-/Ausschaltverzögerung
      • Speichernde Einschaltverzögerung
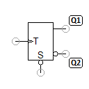
      • Selbsthalterelais
      • Stromstoßrelais
      • Wischrelais/Impulsausgabe
      • Flankengetriggertes Wischrelais
      • Zeitschaltuhr
      • Vor- und Rückwärtszähler
      • Symmetrischer Taktgeber
      • Asynchroner Impulsgeber
      • Schwellwertschalter für Frequenzen
  • GRAFCET
    • GRAFCET
      • Schritt
      • Transition
      • Aktion
      • Synchronisation
      • Teil-GRAFCET
      • GRAFCET PLC
      • GRAFCET PLC
      • GRAFCET PLC
      • GRAFCET I/O
  • Verschiedenes
    • Verschiedenes
      • Anschluss (mechanisch)
      • Ventilmagnet
      • Proportional-Ventilmagnet, lagegeregelt
      • Proportional-Verstärker, 1 Kanal
      • Proportional-Verstärker, 2 Kanäle
      • Ventilmagnet
      • Wegmaßstab
      • Zustandsanzeiger
      • Schaltnocken
      • Text
      • Zustandsdiagramm
      • Funktionsdiagramm-Editor
      • Stückliste
      • Rechteck
      • Ellipse
      • Bilddatei
  • FluidSIM
  • Jetzt bestellen
  • Elektrotechnik jetzt mit Kfz-Technik
  • Komponentenbibliothek
  • FluidDraw
  • Jetzt bestellen
  • Demoversion / Viewer
  • Educational-Lizenz beantragen (P5)
  • Downloads
  • FluidSIM 6
  • FluidSIM 5
  • FluidSIM 4
  • FluidDraw P7
  • FluidDraw P6
  • FluidDraw P5
  • FluidDraw S5
  • Support
  • FluidSIM 6 - FAQ
  • FluidSIM 5 - FAQ
  • FluidDraw P6/P7 - FAQ
  • FluidDraw S5/P5 - FAQ
  • Supportanfrage

© Art Systems Software GmbH 2025

Kontakt | Sitemap | Datenschutzerklärung | Widerrufsrecht | Impressum