FluidSIM

Menu
  • Home
  • About us
    • en-flag English
      • en-flag German
  • FluidSIM
  • FluidDraw
  • Downloads
  • Support
  • Home
  • About us
    • en-flag English
      • en-flag German
  • Order now
  • Electrical engineering now with automotive
  • Component Library
  • Component Library
    • Overview
    • Order now
    • Electrical engineering now with automotive
  • Pneumatic
    • Supply elements
      • Compressed air supply
      • Compressor
      • Variable compressor
      • Air service unit, simplified representation
      • Air service unit
      • Start-up valve with filter control valve
      • Manifold
      • Air pressure reservoir
      • Air pressure reservoir
      • Air filter
      • Manual drain filter
      • Automatic drain filter
      • Manual drain
      • Automatic drain
      • Lubricator
      • Cooler
      • Air Dryer
      • Connection (pneumatic)
      • Line (pneumatic)
      • Pneumatic T-connection
    • Directional valves, Configurable
      • 2/n Way Valve
      • 3/n Way Valve
      • 4/n Way Valve
      • 5/n Way Valve
      • 6/n-way directional valve
      • 8/n-way directional valve
    • Directional valves, Mechanically operated
      • 3/2-way roller lever valve, normally closed
      • 3/2-way roller lever valve, normally open
      • 3/2-way idle return roller valve, normally closed
      • Pressurizing valve
      • Pneumatic proximity switch, solenoid operated
      • 3/2-way valve with pushbutton, normally closed
      • 3/2-way valve with pushbutton, normally open
      • 3/2-way valve with selection switch or striking button
      • 5/2-way valve, with selection switch
    • Directional valves, Solenoid operated
      • 3/2-way solenoid valve, normally closed
      • 3/2-way solenoid valve, normally open
      • 5/2-way solenoid valve
      • 5/2-way solenoid impulse valve
      • 5/3-way solenoid valve, mid-position closed
      • Festo solenoid valve for valve terminal VTSA
    • Directional valves, Pneumatically operated
      • 3/2-way valve, pneumatically operated, normally closed
      • 3/2-way valve, pneumatically operated, normally open
      • 5/2-way valve, pneumatically operated
      • 5/2-way impulse valve, pneumatically operated
      • 5/3-way pneumatic valve, mid-position closed
      • Low pressure amplifier unit, 2 compartments
    • Flow control valves/Shutoff valves
      • Shuttle valve
      • Quick exhaust valve
      • Two pressure valve
      • Check valve
      • Spring loaded check valve
      • Check valve with pilot control
      • Spring loaded pilot-operated check valve
      • Pilot to close check valve
      • Pilot to close spring loaded check valve
      • Nozzle
      • Throttle valve
      • Orifice
      • Variable orifice
      • Throttle check valve
      • Throttle check valve, x2
      • Pneumatic counter
      • Pneumatic timer, normally closed
      • Pneumatic timer, normally open
      • Ring sensor
    • Pressure control valves
      • Pressure reducing valve
      • Variable pressure reducing valve
      • Pressure control valve with manometer
      • Pressure reducing valve
      • Variable pressure reducing valve
      • Closing pressure compensator
      • Variable closing pressure compensator
      • Opening pressure compensator
      • Variable opening pressure compensator
    • Pressure Operated Switches
      • Pressure sensor
      • Vacuum switch
      • Pneumatic to electric converter
    • Vacuum technology
      • Vacuum generator 05 H
      • Vacuum generator 05 L
      • Single-level ejector with push-out unit (Vacuum generator)
      • Vacuum suction cup
      • Vacuum efficiency valve
      • Adjustable vacuum actuator valve
    • Valve groups
      • Pressure sequence valve
      • Time delay valve, normally closed
      • Time delay valve, normally open
      • Stepper module, type TAA
      • Stepper module, type TAB
      • Quickstepper
      • Two-hand control block
      • Control block VOFA with safety function
      • Control block VOFA with safety function
    • Proportional valves
      • Proportional 5/3-way directional valve
      • Proportional pressure regulator
    • Actuators
      • Configurable cylinder
      • Single acting cylinder
      • Single acting cylinder, return spring in piston chamber
      • Double acting cylinder
      • Cylinder, Double-acting, with in and out Piston Rod
      • Cylinder, double-acting, with two piston rods and single trestle
      • Cylinder, double-acting, with two in and out piston rods and double trestle
      • Multiple position cylinder, double-acting
      • Linear drive with solenoid coupling
      • Linear drive, pneumatic, with shape-fitting adaptor
      • Linear drive, pneumatic, with shape-fitting adaptor
      • Air motor
      • Compressed air motor with mid-exhaust
      • Semi-rotary actuator
      • Semi-rotary actuator
      • Fluidic muscle
      • Fluidic muscle with one double acting cylinder
      • Fluidic muscle with two double acting cylinders
    • Measuring instruments and sensors
      • Pressure gauge
      • Differential pressure gauge
      • Pressure indicator
      • Analog pressure sensor
      • Analog pressure sensor
      • Flow meter
      • Flow meter
      • Analog flow meter
      • Pressure sensor with switching outputs and display
      • Pressure sensor with display
      • Flow sensor
  • Hydraulic
    • Supply elements
      • Pump unit
      • Pump unit (simplified representation)
      • Fixed displacement pump
      • Variable displacement pump
      • Reversible pump-motor unit with two directions of flow and variable displacement volume, external drain and two directions
      • Proportional adjustable pump
      • Variable vane pump, pilot operated
      • Piston pump, pneumatically operated
      • Hydraulic power pack with LS variable and constant displacement pump combination
      • Hydraulic power pack with LS variable and constant displacement pump combination
      • Steering unit (Orbitrol)
      • Steering unit (Orbitrol)
      • Tank
      • Hose with quick-action coupling
      • Reservoir
      • Reservoir
      • Diaphragm accumulator with shutoff block
      • Filter
      • Cooler
      • Heater
      • Pressure intensifier
      • T distributor
      • 4-way distributor plate
      • 4-way distributor plate, with pressure gauge
      • Connection (hydraulic)
      • Line (hydraulic)
      • Hydraulic T-connection
    • Directional valves, Configurable
      • 2/n Way Valve
      • 3/n Way Valve
      • 4/n Way Valve
      • 5/n Way Valve
      • 6/n-way directional valve
      • 8/n-way directional valve
    • Directional valves, Mechanically operated
      • 2/2-way stem-actuated valve
      • 2/2-way stem-actuated valve
      • 3/2-way hand-lever valve
      • 4/2-way hand-lever valve (i)
      • 4/2-way hand-lever valve (ii)
      • 4/3-way hand-lever valve with shutoff position (i)
      • 4/3-way hand-lever valve with shutoff position (ii)
      • 4/3-way hand-lever valve with floating position (i)
      • 4/3-way hand-lever valve with floating position (ii)
      • 4/3-way hand-lever valve with bypass position (i)
      • 4/3-way hand-lever valve with bypass position (ii)
    • Directional valves, Solenoid operated
      • 4/2-way solenoid valve (i)
      • 4/2-way solenoid valve (ii)
      • 4/3-way solenoid valve with shutoff position (i)
      • 4/3-way solenoid valve with shutoff position (ii)
      • 4/3-way solenoid valve with floating position (i)
      • 4/3-way solenoid valve with floating position (ii)
      • 4/3-way solenoid valve with bypass position (i)
      • 4/3-way solenoid valve with bypass position (ii)
    • Flow control valves/Shutoff valves
      • Shutoff valve
      • Check valve
      • Check valve
      • Check valve with pilot control
      • Check valve with pilot control
      • Vented pilot to open check valve
      • Double non-return valve, delockable
      • Double non-return valve, delockable
      • Pilot to close check valve
      • Pilot to close spring loaded check valve
      • Shuttle valve
      • Two pressure valve
    • Pressure control valves
      • Pressure relief valve
      • Pressure relief valve
      • Pressure regulator, balanced
      • Bi-directional pressure relief valve
      • Counterbalance valve
      • Counterbalance valve
      • Pressure sequence valve
      • Pressure sequence valve
      • Priority valve Load Sensing, dynamic
      • Pressure relief valve, piloted
      • Pressure relief valve, piloted
      • Pressure relief valve, piloted
      • Pressure reducing valve
      • Variable pressure reducing valve
      • 3-way pressure regulator
      • 3-way pressure reducing valve, piloted
      • Pressure compensator, upstream (pre)
      • Pressure compensator, upstream (pre)
      • Pressure compensator, downstream (post)
      • Pressure compensator, downstream (post)
      • Load-Sensing Pressure compensator for open centre load sensing
      • Load-Sensing Pressure compensator for open centre load sensing
      • Pilot valves (Joystick), 2x2-channel
      • Shock and anti-cavitation valve
      • Closing pressure compensator
      • Variable closing pressure compensator
      • Opening pressure compensator
      • Variable opening pressure compensator
      • Opening cartridge valve
      • Closing cartridge valve
    • Pressure switch
      • Pressure sensor
    • Flow control valves/Shutoff valves
      • Nozzle
      • Flow control valve
      • Orifice
      • Variable orifice
      • Throttle check valve
      • 2-way flow control valve
      • 2-way flow control valve
      • 3-way flow control valve
      • Flow divider valve
      • Flow Divider/Combiner
      • Synchronizing flow divider/combiner
      • Flush valve with pressure relief valve
    • Proportional valves
      • 4/3-ways control valve
      • 4/3-way proportional valve
      • 4/3-way proportional valve
      • Proportional throttle valve
      • Proportional pressure relief valve
      • Pilot-operated proportional pressure relief valve
      • 3-way proportional pressure reducing valve
      • Pilot-operated proportional pressure reducing valve
      • Proportional 6/3-way hand lever valve
      • Load-sensing control block
    • Actuators
      • Configurable cylinder
      • Double acting cylinder
      • Double acting cylinder with shock adsorber at stroke end
      • Double acting cylinder with in and out piston rod and shock adsorber at stroke end
      • Single acting cylinder
      • Loading unit/cylinder load simulator
      • Loading unit/cylinder load simulator
      • Hydraulic motor
      • Semi-rotary actuator
    • Measuring instruments and sensors
      • Pressure gauge
      • Differential pressure gauge
      • Pressure indicator
      • Analog pressure sensor
      • Pressure switch, electronic
      • Flow meter
      • Flow meter
      • Analog flow meter
  • Electrical engineering/Electronics
    • Power supply
      • Constant voltage source
      • Potential
      • Potential/Terminal
      • Ground
      • Three-phase alternator
      • Connector panel
      • DC power supply
      • Phase conductor
      • Phase conductor
      • Phase conductor
      • Neutral conductor
      • Protective earth conductor
      • Plug and socket
      • DC power supply
      • Transformer DC/DC
      • Generator (Pulse Width Modulation)
    • Passive components
      • Resistor
      • Resistor, temperature-dependent (NTC)
      • Resistor, temperature-dependent (PTC)
      • Resistor, voltage-dependent (VDR)
      • Resistor, light-dependent (LDR)
      • Light-dependent resistor (LDR) with lamp
      • Fuse
      • Potentiometer
      • Double potentiometer
      • Capacitor
      • Capacitor, polarized
      • Coil
      • Transformer
    • Semiconductors
      • 1N4007, Diode
      • LED, red
      • LED, green
      • LED, blue
      • LED, red or green
      • Z-diode
      • BC140, NPN transistor
      • BC160, PNP transistor
      • 2N3819, N-channel JFET transistor
      • 2N3820, P-channel JFET transistor
      • BUZ10, N-channel MOSFET transistor
      • BS250, P-channel MOSFET transistor
      • Unijunction transistor
      • Thyristor
      • Diac
      • Triac
      • Photodiode
      • Photodiode with lamp
      • Operational amplifier
      • Operational amplifier with power supply pins
    • Measuring instruments and sensors
      • Ohmmeter
      • Oscilloscope
      • Power factor meter
      • Wattmeter
      • Wattmeter (3 phases)
      • Pressure sensor
      • Hot-film air-mass meter
      • Knock sensor
      • Reluctance speed sensor
      • Hall sensor
    • Switches and contacts
      • Switch-disconnector, 4 poles
      • Rotary cam switch, 5 poles
      • Circuit breaker
      • Circuit breaker three phase
      • Motor circuit breaker
      • Motor protection relay
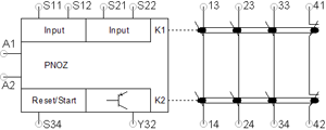
      • Safety relay PNOZ
      • RCD (Residual-current device)
    • Switches and contacts, Automotive
      • Configurable switch
      • Ignition-starter switch
      • Light switch
      • Fog light switch
      • Warning light switch
      • Wiper switch
      • Thermal switch
      • Thermal switch, 2 stages
      • Pressure switch, automotive specific
      • Control unit (Pulse Width Modulation)
    • Machines
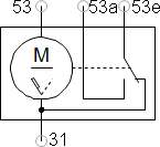
      • Capacitor motor
      • Capacitor motor
      • Three-phase current squirrel-cage asynchronous motor
      • Three-phase current squirrel-cage asynchronous motor
      • Three-phase current squirrel-cage asynchronous motor
      • Three-phase current squirrel-cage asynchronous motor
      • Synchronous motor
      • Synchronous motor
      • Universal motor
      • Universal motor
      • DC permanet-magnet motor
      • DC separately excited motor
      • DC series motor
      • DC shunt motor
      • Engine test bench
      • Engine test bench (electrical part)
      • Generator
      • Starter motor with engagement relay
      • Wiper motor, one-stage
      • Wiper motor, two-stage
    • Controller
      • Add3 element
      • Derivation element
      • Proportional element
      • Hysteresis element
      • Integrator element
      • PT1 element
      • PT2 element
      • Difference amplifier
      • Limiter
    • Controller (block diagram)
      • Add3 element
      • Derivation element
      • Proportional element
      • Hysteresis element
      • Integrator element
      • PT1 element
      • PT2 element
      • Difference amplifier
      • Limiter
  • Digital components with electrical signals
    • Basic symbols
      • AND
      • OR
      • Inverter (NOT)
      • Schmitt trigger
      • NAND
      • NOR
      • XOR
    • Flip-flops
      • RS flip-flop
      • RS flip-flop with inverted inputs
      • Synchronous RS flip-flop
      • JK flip-flop, edge triggered
      • JK flip-flop, edge triggered, K inverted
      • JK flip-flop with SET and RESET inputs, edge triggered
      • JK MS flip-flop
      • D flip-flop
      • D flip-flop, edge triggered
      • D flip-flop with CLR input
      • D flip-flop with SET and CLR inputs
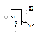
      • T flip-flop
      • T flip-flop with RESET input
      • T flip-flop with inverted RESET input
      • T flip-flop with inverted SET input
      • Positive edge-triggered monoflop
      • Negative edge-triggered monoflop
      • D flip-flop with SET and RESET inputs, edge triggered
    • Miscellaneous
      • Bouncing changeover switch
      • Hex switch
      • 7-segment display
      • Half adder
      • Full adder
      • 4-bit full adder
      • 4-bit counter
      • 8-bit shift register, parallel-serial
      • 8-bit shift register, serial-parallel
  • Electrical Controls (IEC)
    • Power supply
      • Electrical connection 0V
      • Electrical connection 24V
      • Function generator
      • Function generator
      • Setpoint value card
      • Connection (electrical)
      • Line (electrical)
      • Electrical T-connection
      • Plug socket with ground contact
    • Actuators
      • DC Motor
      • Solenoid
      • Injector
      • Proportional adjustment unit
    • Measuring instruments and sensors
      • Voltmeter
      • Ammeter
      • Indicator light
      • Lamp
      • Lamp
      • Two-filament lamp
      • Buzzer
      • Displacement encoder
      • Pneumatic analog pressure sensor (electrical part)
      • Hydraulic analog pressure sensor (electrical part)
      • Pressure switch, electronic (electrical part)
      • Pneumatic analog flow meter (electrical part)
      • Hydraulic analog flow meter (electrical part)
      • Pressure sensor with switching outputs and display (electrical part)
      • Pressure sensor with display (electrical part)
      • Flow sensor (electrical part)
      • Position transmitter
      • Signal converter
      • Stopwatch
    • Contacts/General switches
      • Break switch
      • Make switch
      • Changeover switch
      • Make contact, 3x
    • Delay Switches
      • Break switch (switch-on delayed)
      • Make switch (switch-on delayed)
      • Changeover switch (switch-on delayed)
      • Break switch (switch-off delayed)
      • Make switch (switch-off delayed)
      • Changeover switch (switch-off delayed)
    • Limit Switches
      • Limit switch (break)
      • Switch with roll (break)
      • Reed contact (break)
      • Limit switch (make)
      • Switch with roll (make)
      • Reed contact (make)
      • Limit switch (changeover)
      • Switch with roll (changeover)
      • Reed contact (changeover)
    • Switches and contacts, Manually operated
      • Pushbutton (break)
      • Pushbutton (make)
      • Pushbutton (changeover)
      • Detent switch (break)
      • Detent switch (make)
      • Detent switch (changeover)
      • Mushroom-head safety switch (make)
      • Mushroom-head safety switch (break)
      • Crossover switch
      • Series switch
    • Pressure Operated Switches
      • Pneumatic to electric converter (electrical part)
      • Pressure switch (break)
      • Pressure switch (make)
      • Pressure switch (changeover)
      • Pneumatic pressure sensor (electrical part)
      • Hydraulic pressure sensor (electrical part)
    • Proximity Switches
      • Magnetic proximity switch
      • Inductive proximity switch
      • Capacitive proximity switch
      • Optical proximity switch
    • Relays
      • Relay
      • Relay
      • Relay with switch-on delay
      • Relay with switch-off delay
      • Relay counter
      • Starting current limiter
      • Relay with make contact
      • Relay with break contact
      • Relay with changeover contact
      • Relay coil (AC)
      • Relay coil with switch-on delay (AC)
      • Relay coil with switch-off delay (AC)
      • Flasher relay
      • Windshield wiper interval relay
      • Relay with switch-off delay (Alternating current)
      • Impulse relay (Alternating current)
    • Controller
      • Comparator
      • PID controller
      • Loop controller
    • EasyPort/OPC/DDE
      • FluidSIM Output Port
      • FluidSIM Input Port
      • FluidSIM Output Port (analog)
      • FluidSIM Input Port (analog)
      • Multi-pin plug distributor
      • Universal I/O
  • Electrical Controls (ANSI/NEMA)
    • Power supply
      • Electrical connection 0V
      • Electrical connection 24V
    • Measuring instruments and sensors
      • Indicator light
    • Contacts/General switches
      • Break switch
      • Make switch
      • Changeover switch
    • Delay Switches
      • Break switch (switch-on delayed)
      • Make switch (switch-on delayed)
      • Changeover switch (switch-on delayed)
      • Break switch (switch-off delayed)
      • Make switch (switch-off delayed)
      • Changeover switch (switch-off delayed)
    • Limit Switches
      • Limit switch (break)
      • Switch with roll (break)
      • Reed contact (break)
      • Limit switch (make)
      • Switch with roll (make)
      • Reed contact (make)
      • Limit switch (changeover)
      • Switch with roll (changeover)
      • Reed contact (changeover)
    • Switches and contacts, Manually operated
      • Pushbutton (break)
      • Pushbutton (make)
      • Pushbutton (changeover)
      • Pushbutton (changeover)
      • Detent switch (break)
      • Pushbutton (make)
      • Detent switch (changeover)
      • Mushroom-head safety switch (make)
      • Mushroom-head safety switch (break)
    • Pressure sensor
      • Pressure switch (break)
      • Pressure switch (make)
      • Pressure switch (changeover)
    • Proximity Switches
      • Magnetic proximity switch
      • Inductive proximity switch
      • Capacitive proximity switch
      • Optical proximity switch
    • Relays
      • Relay
      • Relay with switch-on delay
      • Relay with switch-off delay
      • Relay counter
  • Digital technology
    • Constants and Terminals
      • Input
      • Output
      • Buffer
      • Hi Level
      • Lo level
      • Connection (digital)
      • Line (digital)
      • T-junction (digital)
    • Basic Functions
      • AND
      • AND with edge triggering
      • NAND
      • NAND with edge triggering
      • OR
      • NOR
      • XOR
      • NOT
    • Special Functions
      • Logic module
      • On delay
      • Off delay
      • On/off delay
      • Retentive on delay
      • Latching relay
      • Pulse relay
      • Wiping Relay - Pulse Output
      • Edge-triggered wiping relay
      • Timer switch
      • Up and down counter
      • Symmetric clock generator
      • Asynchronous pulse generator
      • Frequency trigger
  • GRAFCET
    • GRAFCET
      • Step
      • Transition
      • Action
      • Synchronization
      • Partial GRAFCET
      • GRAFCET PLC
      • GRAFCET PLC
      • GRAFCET PLC
      • GRAFCET I/O
  • Miscellaneous
    • Miscellaneous
      • Connection (mechanical)
      • Valve solenoid
      • Proportional valve solenoid, position controlled
      • Proportional amplifier, 1-channel
      • Proportional amplifier, 2-channel
      • Valve solenoid
      • Distance rule
      • Status indicator
      • Cam switch
      • Text
      • State diagram
      • Functional diagram
      • Parts list
      • Rectangle
      • Ellipse
      • Bitmap
  • FluidSIM
  • Order now
  • Electrical engineering now with automotive
  • Component Library
  • FluidDraw
  • Order now
  • Demo version / Viewer
  • Request Educational License (P5)
  • Downloads
  • FluidSIM 6
  • FluidSIM 5
  • FluidSIM 4
  • FluidDraw P7
  • FluidDraw P6
  • FluidDraw P5
  • FluidDraw S5
  • Support
  • FluidSIM 6 - FAQ
  • FluidSIM 5 - FAQ
  • FluidDraw P6/P7 - FAQ
  • FluidDraw S5/P5 - FAQ
  • Support request

© Art Systems Software GmbH 2025

Contact | Sitemap | Privacy policy | Right of withdrawal | Imprint